Як інтегрувати старий бойлер у систему опалення з тепловим насосом?
Перехід на тепловий насос — це крок до енергоефективності, економії та зручності. Але під час модернізації системи постає питання: що робити зі старим бойлером, який працював із твердопаливним котлом чи електрокотлом? Чи можна його залишити, чи варто повністю замінити на новий?
Розберемо, як правильно інтегрувати старий бойлер у систему з тепловим насосом, щоб уникнути помилок і зберегти стабільну роботу обладнання.
Проблема невідповідності старих бойлерів
Якщо у вашій системі вже встановлений старий бойлер, а ви вирішили перейти на опалення та гаряче водопостачання від теплового насоса, важливо правильно інтегрувати його в нову систему. Проблема багатьох старих бойлерів у тому, що вони не розраховані на роботу з тепловими насосами. У таких баках встановлені теплообмінники невеликої площі, які розраховані на роботу з котлами високої температури — газовими або електричними, що подають воду до 70–80°C. Тепловий насос же працює при нижчих температурах, видає подачу приблизно 45–55 °C, тому площа теплообмінника має бути достатньо великою, щоб забезпечити ефективну передачу тепла.
Якщо залишити звичайний бойлер у системі без змін, можливі такі проблеми:
-
Повільний нагрів або недогрів води. Теплообмінник не встигає передати потрібну кількість тепла.
-
Зростання навантаження на тепловий насос. Обладнання працює довше та на підвищеній потужності, що знижує його ресурс.
-
Аварійні зупинки. Сучасні теплові насоси контролюють різницю температур на подачі й звороті. Якщо тепло не відбирається належним чином, насос може видати помилку та зупинитися.
Що можливо зробити у такому випадку?
1. Замінити старий бойлер на спеціальний бак ГВП для теплового насосу
Заміна старого бойлера на сучасний бак ГВП є найраціональнішим рішенням, коли мова йде про інтеграцію теплового насоса в систему опалення та гарячого водопостачання.
Сучасні баки спеціально розроблені з урахуванням особливостей роботи теплових насосів, що працюють на низькотемпературних режимах. Їхня головна відмінність — наявність великого теплообмінника зі збільшеною площею поверхні, що дозволяє ефективно передавати тепло навіть при температурі подачі всього 35–55 °C. Для баків об’ємом 200–300 літрів оптимальною вважається площа теплообмінника не менше 2,5 м².
Така конструкція забезпечує швидкий та рівномірний нагрів води у всьому об’ємі бака. Це означає, що тепловий насос не працює безперервно протягом тривалого часу, а нагріває воду за коротший проміжок, після чого може перейти у режим очікування, економлячи електроенергію. Завдяки цьому підвищується енергоефективність системи в цілому, зменшуються витрати на електроенергію, а обладнання працює у більш щадному режимі, що позитивно впливає на його довговічність.
Крім того, сучасні баки з великим теплообмінником запобігають виникненню аварійних зупинок або помилок у роботі теплового насоса, пов’язаних із недостатнім теплообміном. Це дозволяє уникнути ситуацій, коли насос часто вмикається і вимикається (так званого короткого циклу), що може призводити до зносу компресора і підвищення витрат на обслуговування.
Ще однією важливою перевагою є простота монтажу. Сучасні баки ГВП не потребують додаткових проміжних теплообмінників, окремих насосних груп або складної автоматики. Вони безпосередньо підключаються до теплового насоса, що зменшує кількість вузлів у системі, спрощує обслуговування та робить всю систему більш компактною.
Весь асортимент баків ГВП для теплового насосу можна переглянути за посиланням.
2. Використання проміжного теплообмінника
Якщо бойлер перебуває у доброму технічному стані та його заміна не входить у найближчі плани, можна застосувати альтернативне рішення – встановити проміжний пластинчастий теплообмінник між контуром теплового насоса та бойлером. Така схема дозволяє інтегрувати навіть звичайний бак без вбудованого змійовика, зберігши при цьому його функціональність та значно підвищивши ефективність нагріву води.
Пластинчастий теплообмінник має компактні розміри та велику площу теплообміну, завдяки чому він здатний ефективно передавати тепло навіть при роботі теплового насоса на низьких температурах подачі (35–55 °C). Це означає, що вода в бойлері прогрівається швидше, а тепловий насос працює стабільно, не переходячи в аварійні режими.
Головною перевагою цього рішення є можливість залишити існуючий бак, що дозволяє заощадити на покупці нового обладнання. Це особливо зручно у випадках, коли бойлер відносно новий або має великий об’єм, який задовольняє потреби сім’ї чи об’єкта.
Додатковою перевагою є гнучкість підключення: пластинчастий теплообмінник можна інтегрувати практично в будь-яку схему, незалежно від конструкції самого бойлера. Таким чином, навіть старі баки без змійовика можна адаптувати для роботи з сучасним тепловим насосом.
Однак важливо врахувати, що для такої схеми знадобляться додаткові циркуляційні насоси, датчики температури та автоматика. Вони забезпечують правильний гідравлічний режим і своєчасне вмикання/вимикання контурів, щоб уникнути перегріву або недостатнього нагріву води. Грамотне налаштування цієї системи гарантує безперебійну роботу теплового насоса, стабільну температуру води та оптимальне споживання енергії.
Асортимент пластинчатих теплообмінників
Як правильно підключити проміжний пластинчастий теплообмінник між старим бойлером та тепловим насосом?
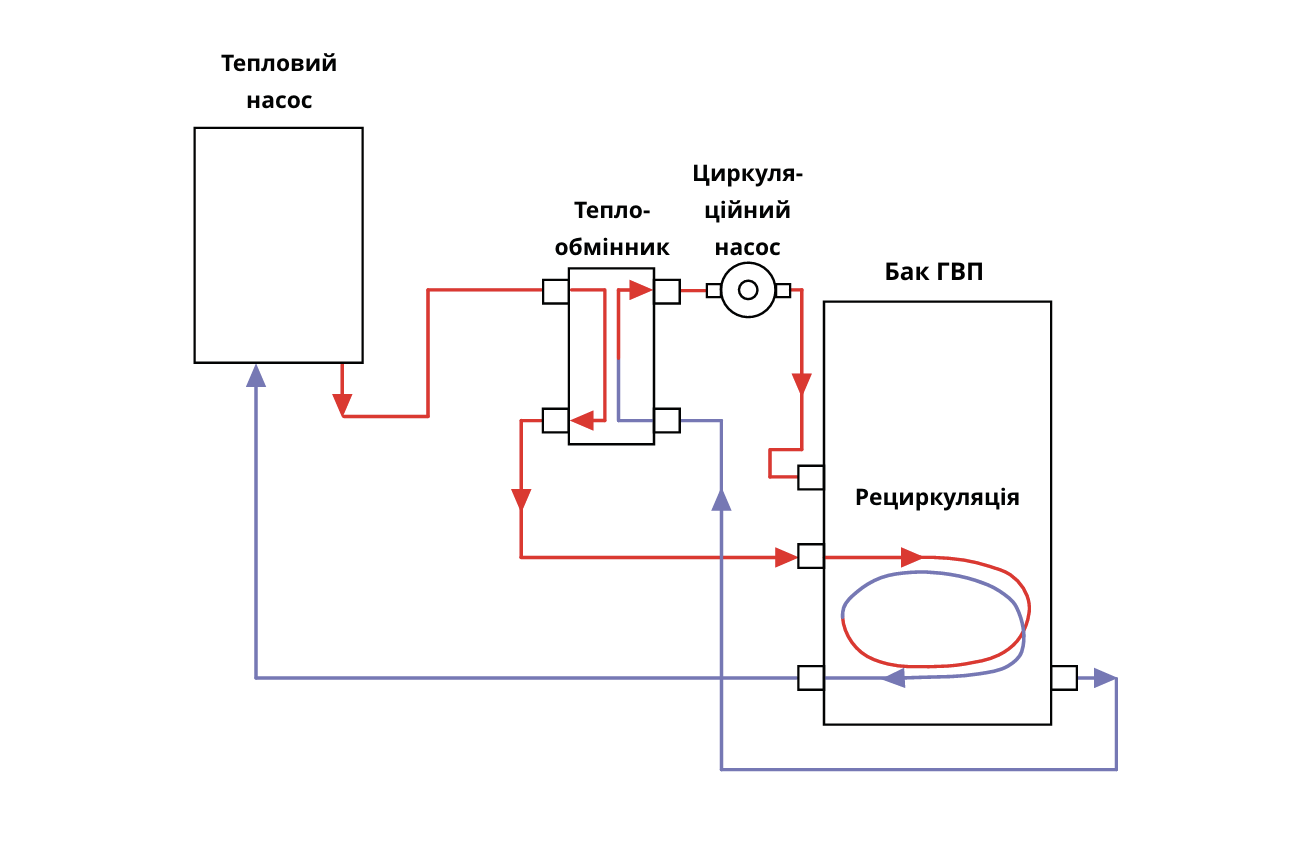
Щоб підключити проміжний пластинчастий теплообмінник між старим бойлером і тепловим насосом, потрібно дотриматися послідовності, яка показана на схемі.
Тепловий насос формує свій власний контур: гаряча вода з нього подається на одну сторону пластинчастого теплообмінника, проходить крізь нього, віддаючи тепло, і повертається назад у тепловий насос. Це замкнутий контур, який працює незалежно від бака.
На іншій стороні теплообмінника організовується контур бойлера. Тут обов’язково встановлюється циркуляційний насос, який забезпечує постійний рух води через теплообмінник і бак. Вода, проходячи через теплообмінник, нагрівається, після чого повертається у верхню частину бака. Охолоджена вода з нижньої частини бака знову заходить у теплообмінник, і цикл повторюється, поки не буде досягнута задана температура.
Додатково варто передбачити датчики температури та автоматику, щоб насос вмикався тільки тоді, коли є потреба у нагріві, а також щоб тепловий насос отримував правильний сигнал про досягнення температури. Якщо у системі є контур рециркуляції гарячої води, його підключають до бака окремо, як показано на схемі, щоб підтримувати стабільну температуру в трубах і скоротити час очікування гарячої води в крані.

Як правильно обрати теплообмінник?
Пластинчастий теплообмінник — це ключовий елемент у випадку, коли старий бойлер не має вбудованого змійовика достатньої площі для ефективної роботи з тепловим насосом. Він складається з пакету тонких металевих пластин, між якими проходять два незалежні потоки теплоносія — від теплового насоса і від бака. Завдяки великій площі поверхні та турбулентному руху рідини, теплообмінник дуже ефективно передає тепло навіть при низьких температурах подачі.
Щоб система працювала стабільно, важливо правильно підібрати пластинчастий теплообмінник під потужність теплового насоса. Орієнтовний розрахунок виглядає так: площа теплообмінної поверхні має бути не менше 0,25–0,3 м² на кожен кВт теплової потужності. Наприклад, якщо у вас тепловий насос на 16 кВт, площа пластин повинна становити приблизно 3–5 м². Це дозволить уникнути перегріву теплоносія на стороні теплового насоса та забезпечить швидкий нагрів води у бойлері.
Також варто звертати увагу на максимальний робочий тиск та температуру теплообмінника, щоб вони відповідали параметрам вашої системи. У більшості випадків застосовуються мідно-паяні теплообмінники, які витримують тиск до 30 бар і температуру до 200 °C — цього більш ніж достатньо для побутових теплових насосів.
Окрім самого теплообмінника, необхідно встановити циркуляційний насос на контур бойлера, щоб забезпечити стабільний рух води. Рекомендовано додати датчики температури на подачі та звороті, щоб автоматика могла коректно управляти процесом нагріву.
|
DHWP 150 L площа теплообмінника від 2,25 м² |
DHWP 200 L площа теплообмінника від 3 м² |
DHWP 250 L площа теплообмінника від 3,75 м² |
DHWP 300 L площа теплообмінника від 4 м² |
| Потужність теплового насосу |
МОНОБЛОК |
| 7 кВт |
15 кВт |
18 кВт |
34 кВт |
| 10 кВт |
23 кВт |
| СПЛІТ-СИСТЕМА |
| 10 кВт |
15 кВт |
18 кВт |
24 кВт |
| 13 кВт |
24 кВт |
32 кВт |